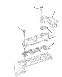
Intake Manifold Gasket Center Position 6.5L GM Style Diesel Engine HMMWV
- 6.5L Turbo Diesel Engine
- Top Plenum
- Item 4 in Attached Diagram
Fits: HMMWV 1 1/4 Ton Military Truck
- M1025 , M1025A1 , M1025A2 , M1026 , M1026A1 , M1035 , M1035A1 , M1035A2 , M1037 , M1038 , M1038A1 , M1042 , M1043 , M1043A1 , M1043A2 , M1044 , M1044A1 , M1045 , M1045A1 , M1045A2 , M1046 , M1046A1 , M1097 , M1097A1 , M1097A2 , M1121 , M1123 , M966 , M966A1 , M996 , M996A1 , M997 , M997A1 , M997A2 , M998 , M998A1, M1151, M1151A1, M1167
- Hummer, Humvee hmmwv, hummer, hummvee, H1, AM General
Parts we offer for sale can be exported. Where necessary, required export approvals and licenses, U.S. Customs clearances and international / overseas shipping services are available.
We can provide container loads of parts, loaded and shipped from our facility.