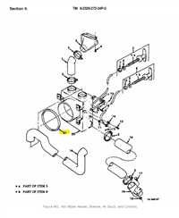
Gasket Rubber Hot Water Heater M809 M939A1 M939A2
- Outside Diameter: 7.5 in.
- Aperture Diameter: 6.250 in.
- Cross-Sectional Thickness: 0.125 in.
- Temp Rating: -20 Degrees Fahrenheit and 130 Degrees Fahrenheit
- Elongation Percentage: 300 maximum
- Material: Rubber
- Item #21 in diagram
Fits: 5 Ton Military Truck
M939, M939A1, M939A2, M923, M923A1, M923A2, M925, M925A1, M925A2, M927, M927A1, M927A2, M929, M929A1, M929A2, M930, M930A1, M930A2, M931, M931A1, M931A2, M54, M809, M813, M814, M816, M817, M818, M820 5-Ton Trucks
M809, M813, M814, M816, M817, M818, M820 5-Ton Trucks
Parts we offer for sale can be exported. Where necessary, required export approvals and licenses, U.S. Customs clearances and international / overseas shipping services are available.
We can provide container loads of parts, loaded and shipped from our facility.