Head Gasket Kit for Detroit Diesel Engines 8V92 16V92 Oshkosh LVS MK48 Trailer Family HET HEMTT
1 Kit is Incomplete
- Length: Approximate 14 3/8 inches
- Height: Approximate 1 3/8 inch
- Width: Approximate 8 inches
Gasket Cylinder Liner Compression: NSN Number- 5330-01-054-2398, Part Number- 5100404, QTY: 4
Shim Cylinder Head Support: NSN Number- 5365-01-082-1972, Part Number- 5100703, QTY: 2
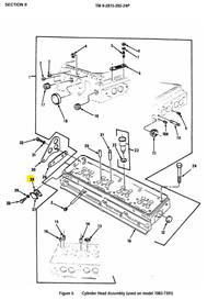
Gasket Thermostat Cover Housing: NSN Number- 5330-01-058-8267, Part Number- 5100860, QTY: 1, Item #8 in Diagram
Gasket Thermostat Cover Housing: NSN Number- 5330-00-781-7117, Part Number- 5117786, QTY: 1, Item #25 in Diagram
Gasket Gauge Assembly Oil: NSN Number- 5330-00-973-1415, Part Number- 5117993, QTY: 1, Item #11 in Diagram
Seal Ring: NSN Number- 5330-00-171-8763, Part Number- 5119973, QTY: 1, Item #1 in Diagram 2
Gasket Exhaust Manifold: NSN Number- 5330-01-390-4849, Part Number- 5120224, QTY: 2, Item #9 in Diagram 3
Gasket Thermostat Housing: NSN Number- 5330-00-915-2835, Part Number- 5123570, QTY: 1, Item #20 in Diagram
Gasket Governor Hole: NSN Number- 5330-01-390-4718, Part Number- 5123812, QTY: 4, Item #28 in Diagram 4
Hose 3/8": NSN Number- 4720-00-096-8988, Part Number- 5127843, QTY: 1
Ring Seal Cylinder Head: NSN Number- 5365-01-062-0943, Part Number- 5148502, QTY: 17
Hose Governor to Cylinder Head 1.00: NSN Number- 4720-01-226-8070, Part Number- 8924267, QTY: 1, Item #14 in Diagram 5
Gasket Governor Housing Cover: NSN Number- 5330-00-735-4296, Part Number- 8924869, QTY: 1, Item #16 in Diagram 6
Gasket Water Outlet: NSN Number- 5330-01-348-3332, Part Number- 23506469, QTY: 4
Fits: Common Application
HET: Oshkosh M1070 8 X 8 Heavy Equipment Transporter (HET) Equipped with Detroit Diesel Model 8V 92TA Diesel Engine,
HET – Heavy Equipment Transporter: M911, M746
HEM – Heavy Expanded Mobility Tactical Truck (HEMTT): M977, M978, M984, M985
LVS MK48 Trailer Family
Detroit Diesel Engines 8V92, 16V92
Parts we offer for sale can be exported. Where necessary, required export approvals and licenses, U.S. Customs clearances and international / overseas shipping services are available.
We can provide container loads of parts, loaded and shipped from our facility.