EASTERN SURPLUS & EQUIPMENT CO.
Toll Free: 1-855-332-0500 | Worldwide: (215) 332-0500

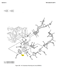
Home > Parts > Gasket Air Compressor 4 Inch Inside Diameter 6CTA 8.3 Turbo Diesel Engine M939A2

Main Image
Item 1 of 0
 
  • 9M-2047 | 9M-2047  Gasket Air Compressor 4 Inch Inside Diameter M939A2 (3).JPG
  • 9M-2047 | 9M-2047  Gasket Air Compressor 4 Inch Inside Diameter M939A2 (1).JPG
  • 9M-2047 | 9M-2047  Gasket Air Compressor 4 Inch Inside Diameter M939A2 (4).JPG
  • 9M-2047 | 9M-2047  Gasket Air Compressor 4 Inch Inside Diameter M939A2 (5).JPG
  • 9M-2047 | Screenshot 2025-10-16 151816.png
  • 9M-2047 | Screenshot 2025-10-16 151749.png

9M-2047 | Gasket Air Compressor 4 Inch Inside Diameter 6CTA 8.3 Turbo Diesel Engine M939A2

$12.00
NSN #:
5330-01-271-8306
Part #:
3916042, 3910055, 70-05-520


Usually ships within 2 days


Call or email with any questions or needs. (215) 332-0500 or dave@easternsurplus.net