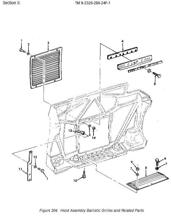
Front Hood Shield Bracket Right Hand Side HMMWV
Item# 11 in Diagram
Fits: HMMWV Models
M1025 M1025A1 M1025A2 M1026 M1026A1 M1035 M1035A1 M1035A2 M1037 M1038 M1038A1 M1042 M1043 M1043A1 M1043A2 M1044 M1044A1 M1045 M1045A1 M1045A2 M1046 M1046A1 M1097 M1097A1 M1097A2 M1121 M1123 M966 M966A1 M996 M996A1 M997 M997A1 M997A2 M998 M998A1 M1151 M1151A1 M1167
Hummer, Humvee hmmwv, hummer, hummvee, H1, AM General
Parts we offer for sale can be exported. Where necessary, required export approvals and licenses, U.S. Customs clearances and international / overseas shipping services are available.
We can provide container loads of parts, loaded and shipped from our facility.